L' amplificateur opérationnel

L' amplificateur opérationnel - régime non linéaire

L'amploificateur opérationnel se trouve en régime non linéaire lorsque:

  • Le rebouclage se fait sur l'entrée e+;
  • Le composant fonctionne sans rebouclage, c'est à  dire en boucle ouverte.

Dans ces conditions \(\epsilon\)=0, i+ = i- = 0, et la sortie de l'ampli op bascule dans un état saturé et prendra soit une valeur haute: \(V_H=+V_{sat}\) ou une valeur basse \(V_B=-V_{sat}\). En réalité, \(V_H \lt +V_{CC}\), et \(V_B \gt -V_{CC}\).
Par exemple pour un LF351: \(V_{sat}\)= \(\pm\)13,5V, avec une tension d'alimentation \(V_{CC}\)=\(\pm\)15V et une charge de 10 k\(\Omega\).
L'ampli op est souvent utilisé dans ce cas en comparateur de tension, et, il est capable de servir d'interface entre les circuits analogiques et les circuits numériques.


Comparateurs:
Des ampli op classiques peuvent être utilisés comme des comparateurs de tension. Mais dans un montage où la vitesse de commutation est exigée, il plutôt intéressant d'utiliser des circuits spécialisés pour cette fonction.
Ce type de circuits dédiés est équivalent à un amplificateur différentiel fonctionnant en boucle ouverte.

 

comparateur en boucle ouverte
Fig.20 - a.o.p. en comparateur

 


Caractéristiques principales d'un comparateur:
Un comparateur est caractérisé par: sa précision, sa rapidité, la compatibilité du niveau de sa tension de sortie vis-à-vis des circuits numériques.
> La précision:

Plusieurs facteurs peuvent engendrer des erreurs de précision d'un comparateur:

  • La tension de décalage: c'est la tension minimale différentielle à appliquer sur les entrées pour que la sortie du composant se trouve dans l'un des états logiques. L'erreur engendrée peut être compensée.
  • Les courants de polarisation: eux aussi peuvent être compensés.
  • La tension de mode commun: c'est une donnée du fabricant, qui définit la limite à ne pas dépasser.


> La rapidité: 


Elle est définie par le temps de réponse ou de propagation. Ce temps dépend de la charge et de l'amplitude des signaux.


> Le niveau de tension en sortie:


Il dépend de la saturation du composant, ainsi que de la tension d'alimentation.
Ce niveau de tension peut être limité grâce à l'ajout de composants supplémentaires, comme des diodes Zener par exemple.

Exemple 1 : à l'aide d'une diode Zener:

 

comparateur limiteur de niveau 1
Fig.21 - limiteur un niveau

 

Exemple2 : avec deux diodes Zener:

 

comparateur limiteur de niveau 2
Fig.22 - limiteur deux niveaux

 

Familles de comparateurs:

Comparateurs à hystérésis:
On considère ici deux types de montages:
Le montage inverseur:

 

comparateur hysteresis inverseur
Fig.23 - comparateur hyst. inverseur

 

L'hystérésis est crée à l'aide d'un pont diviseur de tension formé par R1 et R2 bouclé sur l'entrée e+. C'est grâce à ce bouclage que le système bascule chaque fois que la différence (V+ − \(\epsilon\)) change de signe.

 

hysteresis inverseur
Fig.24 - hysteresis inv.

 

L'hystérésis est donné par l'expression:
\[\mathsf{\Delta e = \frac{R_1}{R_1+R_2}(V_{EH}− V_{EB})}\].

Ce montage convertit un signal d'entrée ayant une forme quelconque en un signal carré.Le temps de montée du signal obtenu est indépendant du signal d'entrée.

Le montage non inverseur:

 

comparateur hysteresis non inverseur
Fig.25 - comparateur hyst. non inv.

 

Le bouclage sur l'entrée e+ est aussi réalisé par la résistance R2

 

hysteresis non inv
Fig.26 - hysteresis non inv.

 

L'hystérésis est donné par:
\[\mathsf{\Delta e = \frac{R1}{R2}(V_{EH}− V_{EB})}\]

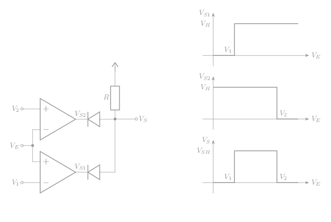
Comparateur à fenêtre:

 

comparateur à fenêtre
Fig.27 - comparateur à fenetre

 

Le signal de sortie dépend du niveau du signal d'entrée e par rapport aux deux signaux V1 et V2.
Dans cette figure d'illustration, deux comparateurs du type LF311 sont utilisés.
Un "ET" logique à base de diodes D1, D2 et de la résistance R permet d'obtenir le signal de sortie.

Ce site web utilise des cookies

Certains d’entre eux sont essentiels pour son fonctionnement et d’autres nous aident à améliorer l’expérience utilisateur (cookies traceurs). Vous pouvez décider vous-même si vous autorisez ou non ces cookies. Merci de noter que, si vous les rejetez, certaines fonctionnalités du site pourront être défaillantes.